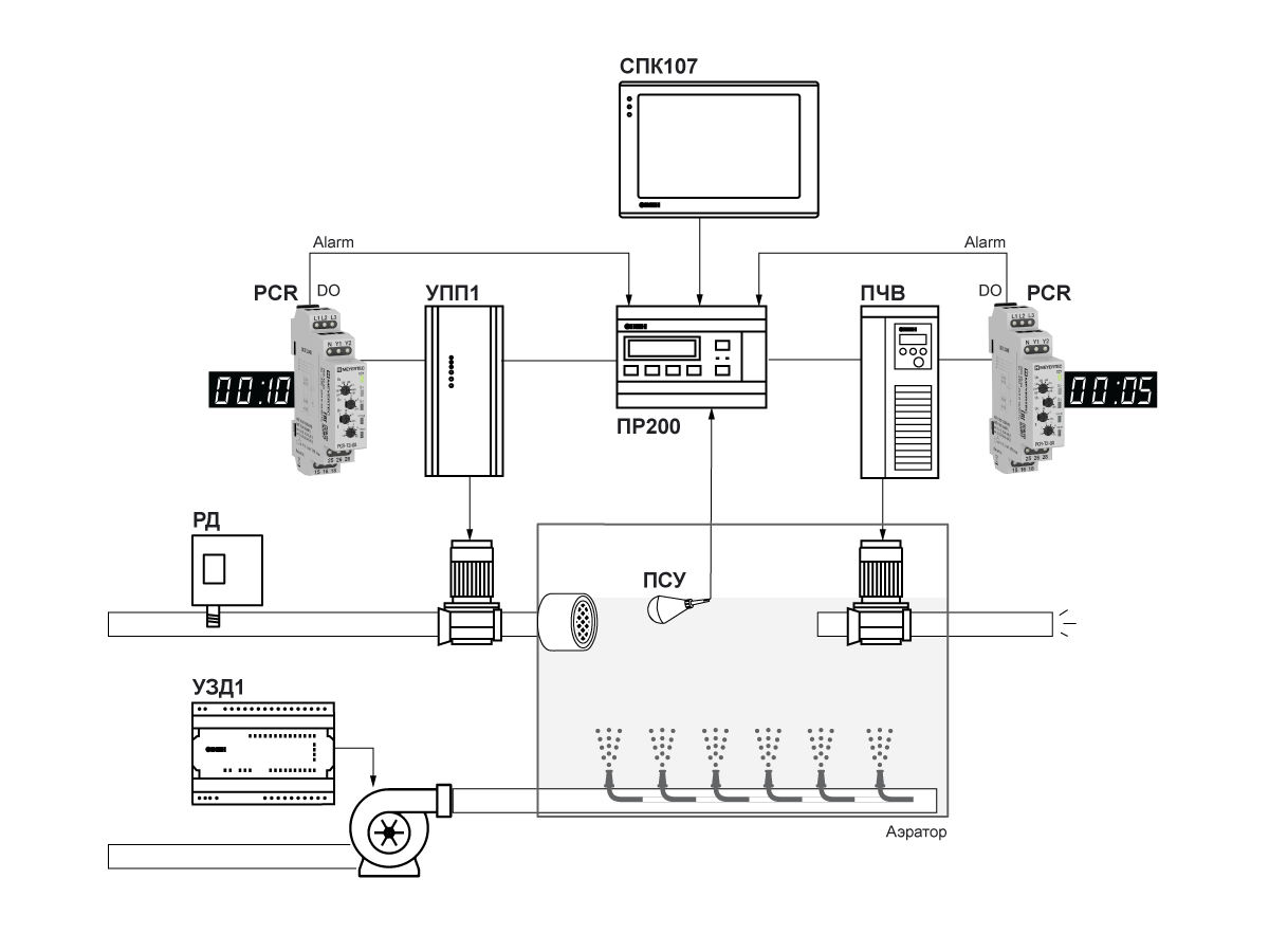
Модульное реле контроля фаз MEYERTEC PCR предназначено для надёжного контроля параметров трёхфазной сети до 1000 В.
Устройство отслеживает обрыв, перекос и чередование фаз, наличие нейтрали, а также уровни перенапряжения и провала напряжения с заданной выдержкой времени срабатывания. При выявлении отклонений реле автоматически отключает нагрузку, предотвращая повреждение оборудования.
Применяется для защиты трехфазных электродвигателей и другого промышленного электрооборудования, снижает риски аварий и сокращает расходы на ремонт.
Универсальное подключение
Одна модель реле подходит для 3- и 4-проводных сетей, упрощая подбор и монтаж.
Отдельная индикация аварий
Каждый тип аварии отображается отдельным светодиодом — для быстрой диагностики.
Выдержка времени срабатывания
Защищает от кратковременных помех и ложных срабатываний за счёт заданной задержки.
Контроль обрыва нейтрали
Обеспечивает дополнительную защиту при обрыве нулевого проводника.
Компактный корпус
Экономит место в шкафу управления — удобно для модернизации и нового монтажа.








Отзывы
Отзывов пока нет.